当前位置: > 产品中心 > 流态化干燥系列

流态化干燥系列

产品中心

CCFBD系列闭路循环流化床干燥机

产品简介:工作原理以氮气为传导传热介质,实现对制药、生化、化工、生物等技术领域含有机溶媒、溶剂物料的干燥生产与溶媒、溶剂的回收,具备安全生产、高效、低耗节能减排的实用性。干燥机内的气体在风机的循环下,经换热器加热,进入沸腾式干燥机,物料与热空气充分接触换热。待物…

咨询热线:0086-15380092122
在线咨询

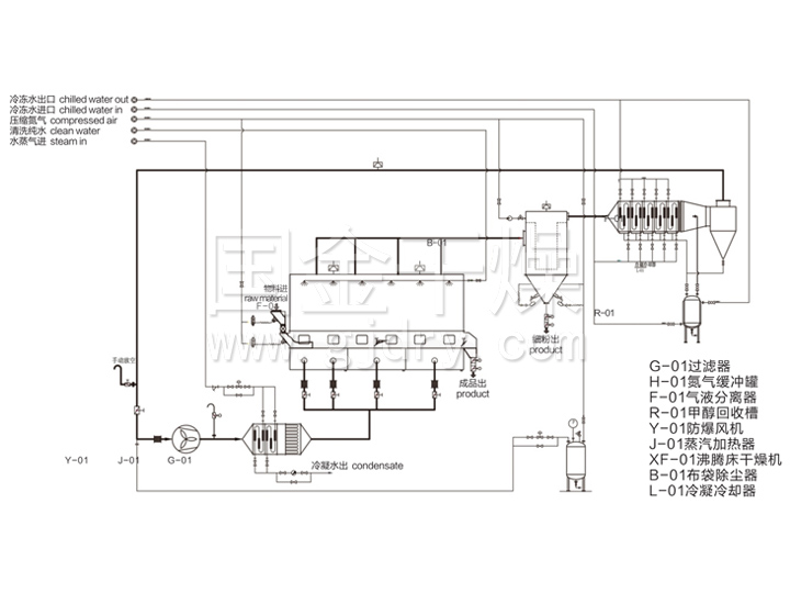
工作原理

  以氮气为传导传热介质,实现对制药、生化、化工、生物等技术领域含有机溶媒、溶剂物料的干燥生产与溶媒、溶剂的回收,具备安全生产、高效、低耗节能减排的实用性。


  干燥机内的气体在风机的循环下,经换热器加热,进入沸腾式干燥机,物料与热空气充分接触换热。待物料内的溶媒(酒精、丙酮、甲醇等蒸发出来,在循环气体的带动下,夹带于气体中的细粉物料,经氨气反吹除尘器,实现对夹带于气体中的粉尘物料进行捕集,余热气体经由过滤器过滤后进入冷凝器,经冷凝器冷却介质,冷凝至露点和气体分离,实现对有机溶媒的回收。分离后的气体再由风机送入加热器,这样周而复始的循环工作。直至将所有的溶媒从物料中蒸发、分离、冷凝出来。


应用

  主要用于含有溶剂、溶媒的物料的干燥和溶媒的回收。
  摇摆颗粒、湿法高速混合制粒含有溶剂的颗粒物料干燥。
  医药、食品、化工等领域含有溶剂的湿颗粒和粉状颗粒的干燥。
  大颗粒或小块状以及较小粘性物料的干燥。


结构示意图


特点

  高效:设备为全封闭结构,无死角,出风、进风均采用高温高效过滤,除尘效率更高,且易拆装、清洗。在物料干燥完成后,使用反吹技术,除尘更彻底,减少清洗频率,操作简单,有效降低劳动强度并可避免产品受污染的情况,符合GMP要求。


  设备能够长期稳定的连续运行,自动化程度高。既可干燥、冷却溶媒,又可冷却物料,干燥效率比回转、耙式的高,可提高4—5倍的干燥速度、同时干燥后的产品品质稳定,为用户创造更大的产品价值。

  安全:基于有机溶剂具备易爆易燃的安全危险性,本机组系统内同时采用在线测氧、超压泄放和防爆、泄爆等安全技术手段,通过智能化控制技术,实现对系统内氧气残留量的监测,气压平衡监测和自动调节控制。当系统内的空气(氧气含量超过0.5%(V/ V时,测氧装置即会通过控制系统指令氮气补充阀打开,向系统内补充新鲜氨气,使系统内的氧气残留量恢复到安全设定值的范围内(闭路循环系统设计为正压,氧气的进入则是通过加过程进入循环系统


  当系统内的气压值超过设定值时(循环系统气压平衡值设定为0.02mPa,泄压装置则会通过智能控制中心指令,自动打开泄压气动阀,排除超压气体,而防爆泄爆装置,则是本机组采用的另-项安全技术措施,即系统内电气或关键部位发生故障,系统正常工作失灵,气压升高至安全极限值系统设计耐压值小于等于0.05Mpa防爆泄爆装置即会自动打开定向泄爆并自动切断电源,关闭进出管道阀门,保证溶媒没有与氧气反应的可能性,有效的避免设备在生产过程中发生火灾或爆炸事故,最大限度的规避人员伤亡和财产损失,确保生产安全。

  节能:设备是全封闭式系统,热介质经过网板向上吹起物料,与物料的接触更充分,使传热和传质过程得以强化,在较小的风量下能够达到较高的气体含湿量,因此工作时只需要微正压,风量较小,设备的风机功率降低,噪音变小,同时干燥之后含有溶媒的热湿气,经过冷凝器分离后,回收的溶媒可以再次利用,同时,低露点的氮气经循环风机后进入加热器重新加热循环利用,与常规烘干设备相比,热效率提高了,动力消耗明显下降,因此节约了设备的能源损耗及生产成本。


  环保:本机组实现对含有溶媒物料在干燥生产工艺过程中的回收利用,在解决相关行业在干燥难与废气排放污染重的基础上,实现溶剂回收利用,同时做到零排放,避免了尾气对环境的污染,获得节能减排的实用性效果。


图片集锦
  • CCFBD系列闭路循环流化床干燥机
应用客户
视频集锦

    暂无相关视频...
动画演示

相关工程
暂无相关工程...
相关文章
  • 2022-05-31 15:16:02

    旋转闪蒸干燥机的设计重点

  • 2022-05-25 10:30:42

    滚筒刮板干燥机的工作原理是让液体或泥浆状物料 在水蒸气或其它热载体加热的滚筒表面形成薄膜,滚筒转一圈的过程中便被干燥完毕,用刮刀把产品刮下来,…

  • 2021-07-06 14:27:20

    干燥设备在工业的测试使用中非常广泛,很多领域上都需要用到干燥设备的使用,同样,干燥设备在制药行业中也具有重要作用。今天,笔者将带来八种干燥设备…

  • 2021-07-02 14:35:53

    由于世界能源消耗逐年增加,作为一次能源的煤摸底的燃烧利用,释放出大量的二氧化硫以及由其形成的区域性酸雨,对环境已造成了严重的污染,它破坏着生态…

  • 2021-06-30 14:37:47

    热风循环烘箱是由角钢、不锈钢板以及冷钢板构成。保温层则由高密度硅酸铝棉填充,高密度硅酸铝棉保证了干燥箱的保温性,也确保了使用者的安全性。加热器…

  • 2021-06-25 14:38:38

    中国大多喜欢吃米饭,而水稻也在我国粮食种植中占大比重。随着农机设备的更新,水稻种植的多个环节都实现了机械化。受降雨阴湿环境影响,未来水稻烘干机…

相关产品

Copyright © 江苏国金干燥科技有限公司 版权声明 苏ICP备18037640号-1 [后台管理]
技术支持:常州网站建设-江苏东网科技 网络支持:中国干燥设备网

服务热线

0086-15380092122

扫一扫打开网站